3-fas digital panelmätare strömmultimeter spänning frekvensindikator

I lager - 13 artiklar tillgängliga
SKU: EM-100D
Gemensamt pris 677 kr inkl. moms
Mark

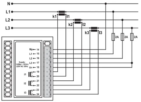
Multimeter - 3-fas panelmultimeter, multifunktionell digital panelmätare, ström-, spännings- och frekvensvisning, tillverkare TENSE (Turkiet), panelmätare

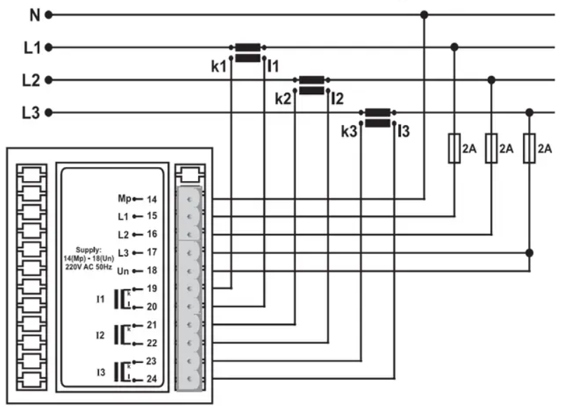
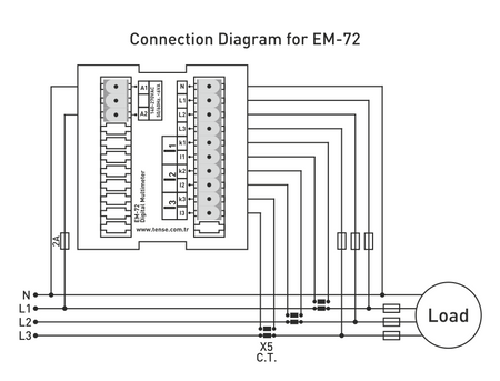
Trefas VAHz AC-panelmätare för mätning av ström, spänning och kontroll av fasanslutningar i trefas AC-utrustning, maskiner eller distributionssystem.

Huvudsakliga fördelar:

  • (I,U(L-L,L-N,HZ);
  • Mätområde:
  1. (EM-06 och EM-72), indirekt mätning 5/5...9995/5A (EM-06 och EM-72), 1A - 100A (EM-100D) , 2-250A (EM-250D);
  2. Spänning - 1V-300V AC (L-N), 1V-500V AC (L-L);

  3. Frekvens - 40 Hz-60 Hz;
  • Fasspårning;

  • Mätningstransformator ingår (EM-100D och EM-250D).

Vanligtvis används denna multimeter (EM-06/EM-72) med strömmätningstransformatorer - 60/5 75/5 100/5 150/5 200/5 250/5 300/5 400/5 500/5 600/5 800/5 1000/5 1500/5 eller liknande. Du kan köpa sådana transformatorer i vår e-shop,

Online betalning med kort - efter att beställningen är slutförd kommer du att omdirigeras till betalningsgatewayen, bekräftelsen på betalningen kommer att skickas till din e-post

Postförskott -  betalning enligt betalningsföreskriften betalar du till chauffören från transportföretaget

Banköverföring - du kommer att få en proformafaktura via e-post senast nästa arbetsdag, där du hittar kontonumret som du anger vid betalning. 

På faktura - denna betalningsvariant har partners som har ingått ett ramavtal med vårt företag.

​Om du vill använda de sista 2 metoderna, ring vår chef så ger han dig instruktioner om hur du får en faktura med eller utan moms​.

De elektriska apparater som vi tillhandahåller uppfyller höga kvalitetsstandarder, har 24 månaders garanti och uppfyller alla EU-krav.

Vid reklamation debiteras ingen avgift för retur av varor.