Temperaturregulator med hög precision för panelmontage ON - OFF upp till 600ºC

I lager - 8 artiklar tillgängliga
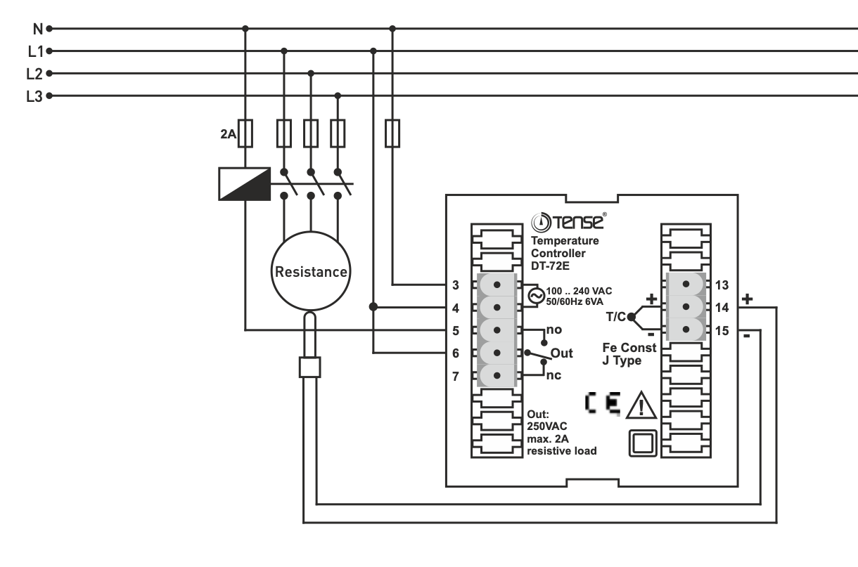
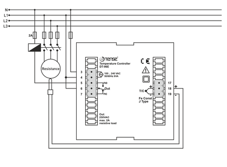
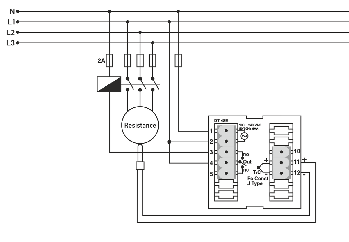
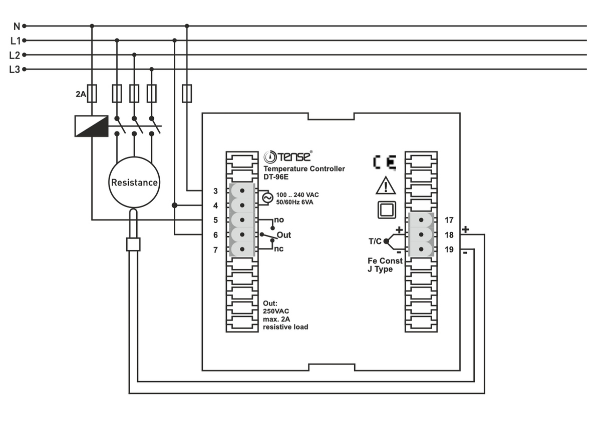
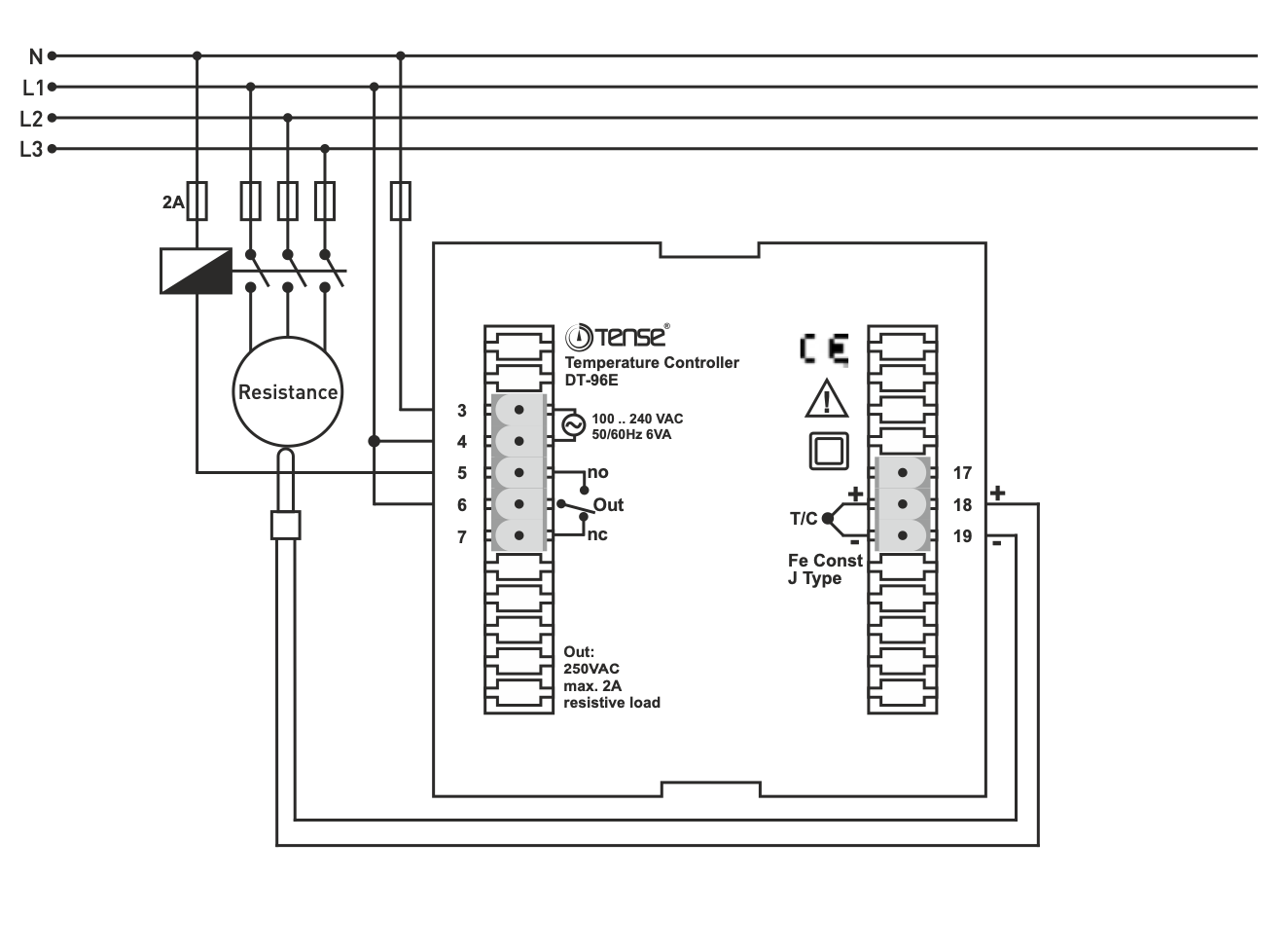
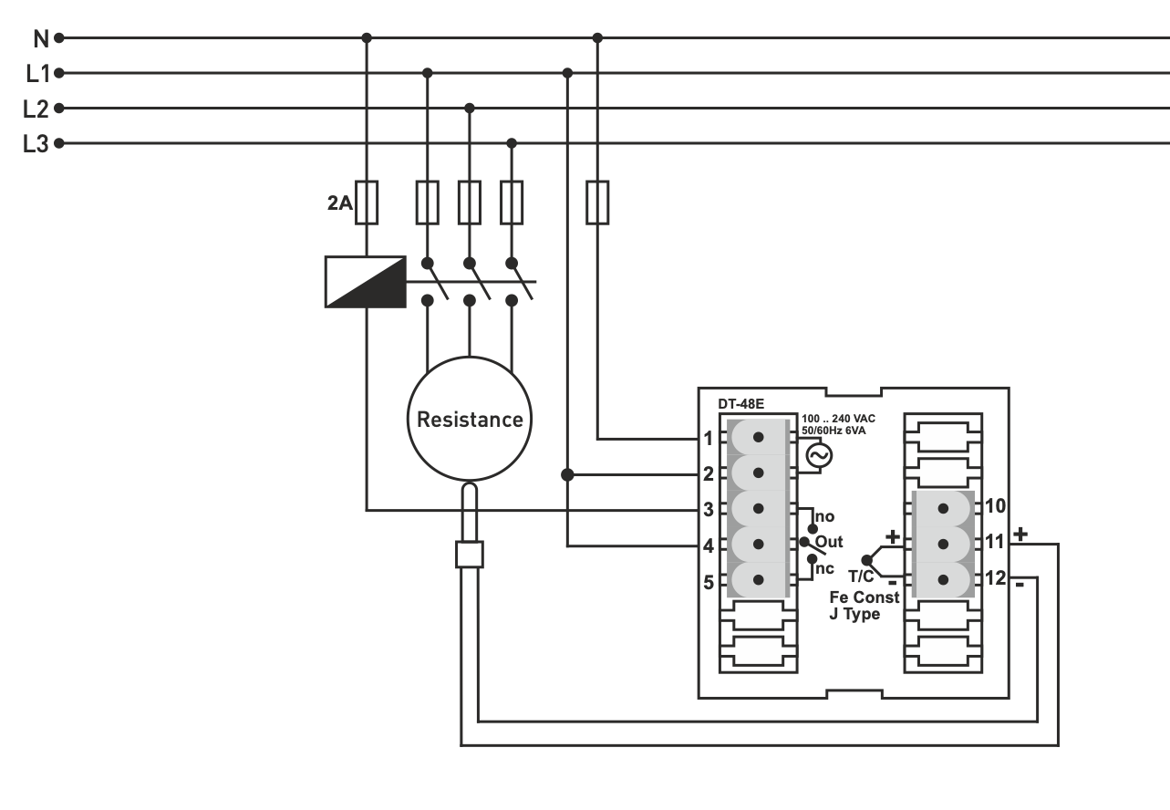
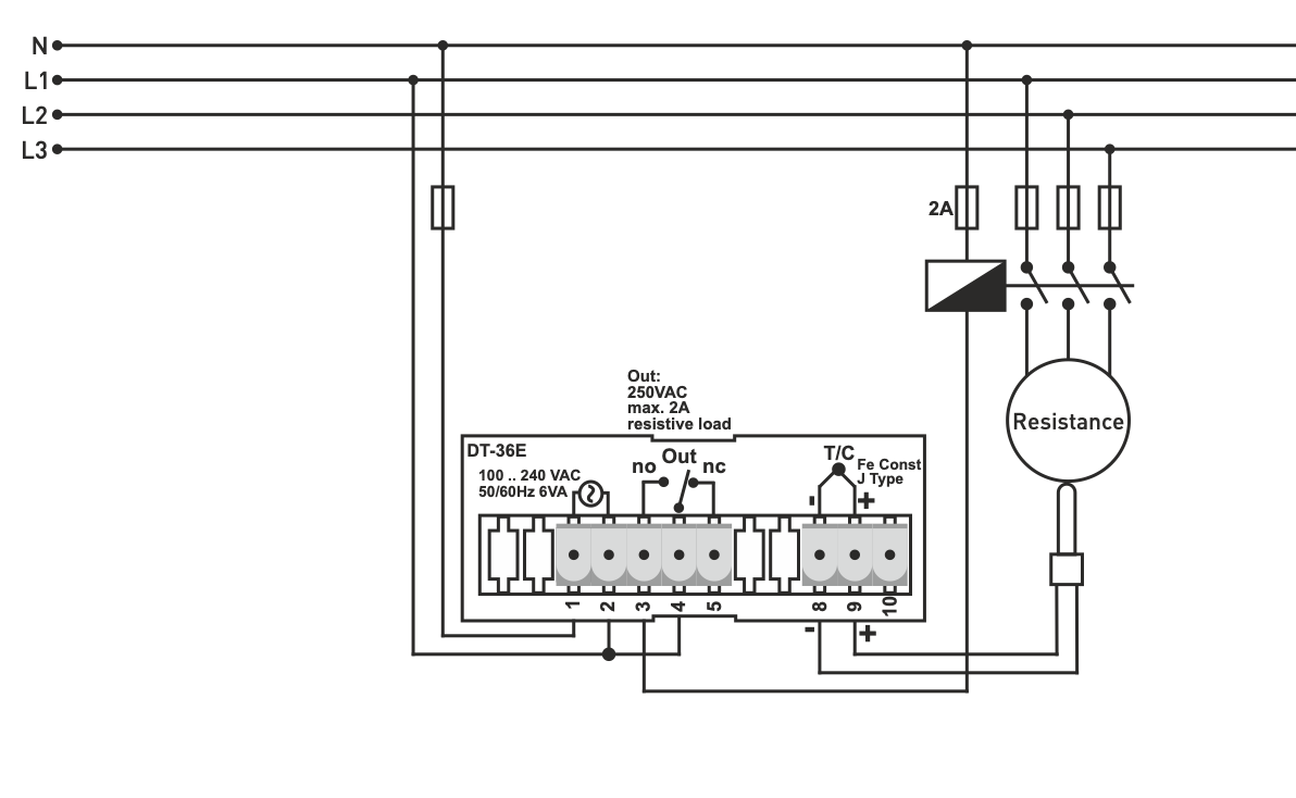
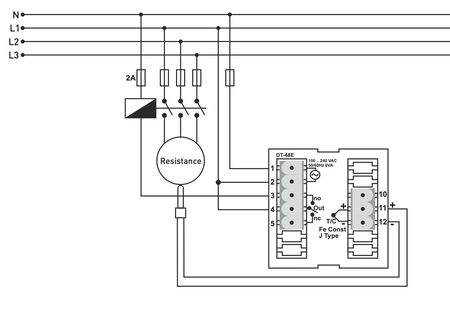
SKU: DT-48E
Gemensamt pris 397 kr inkl. moms
Höjd x bredd

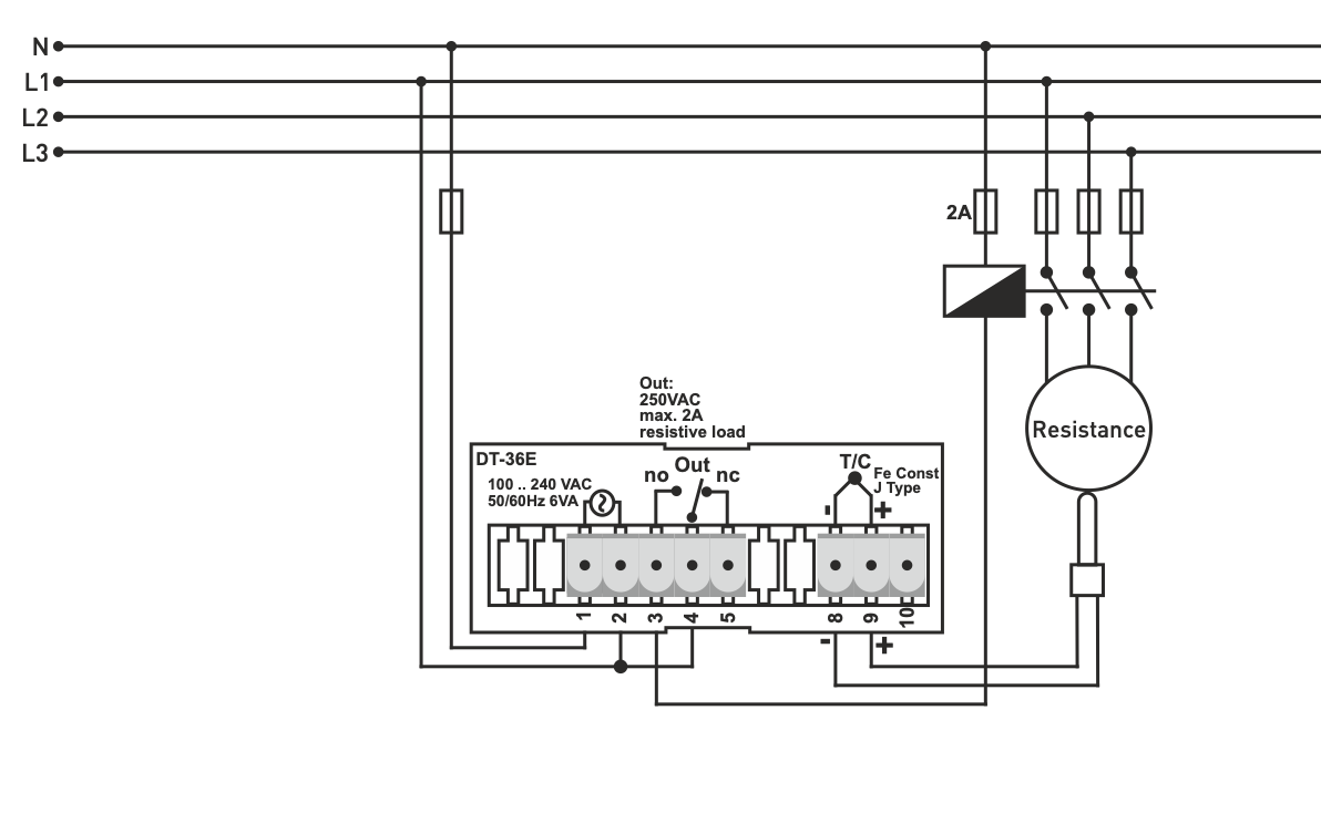
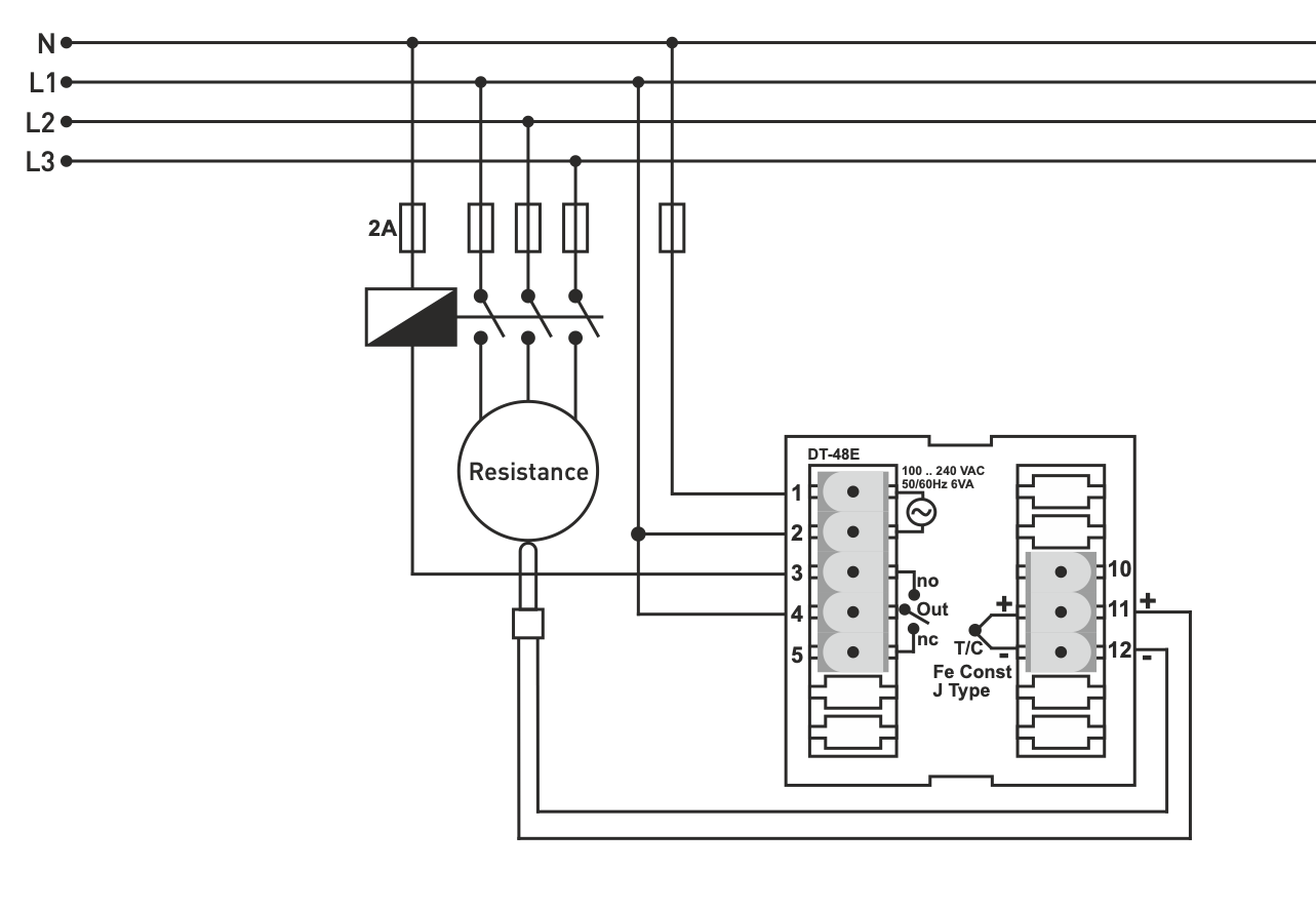
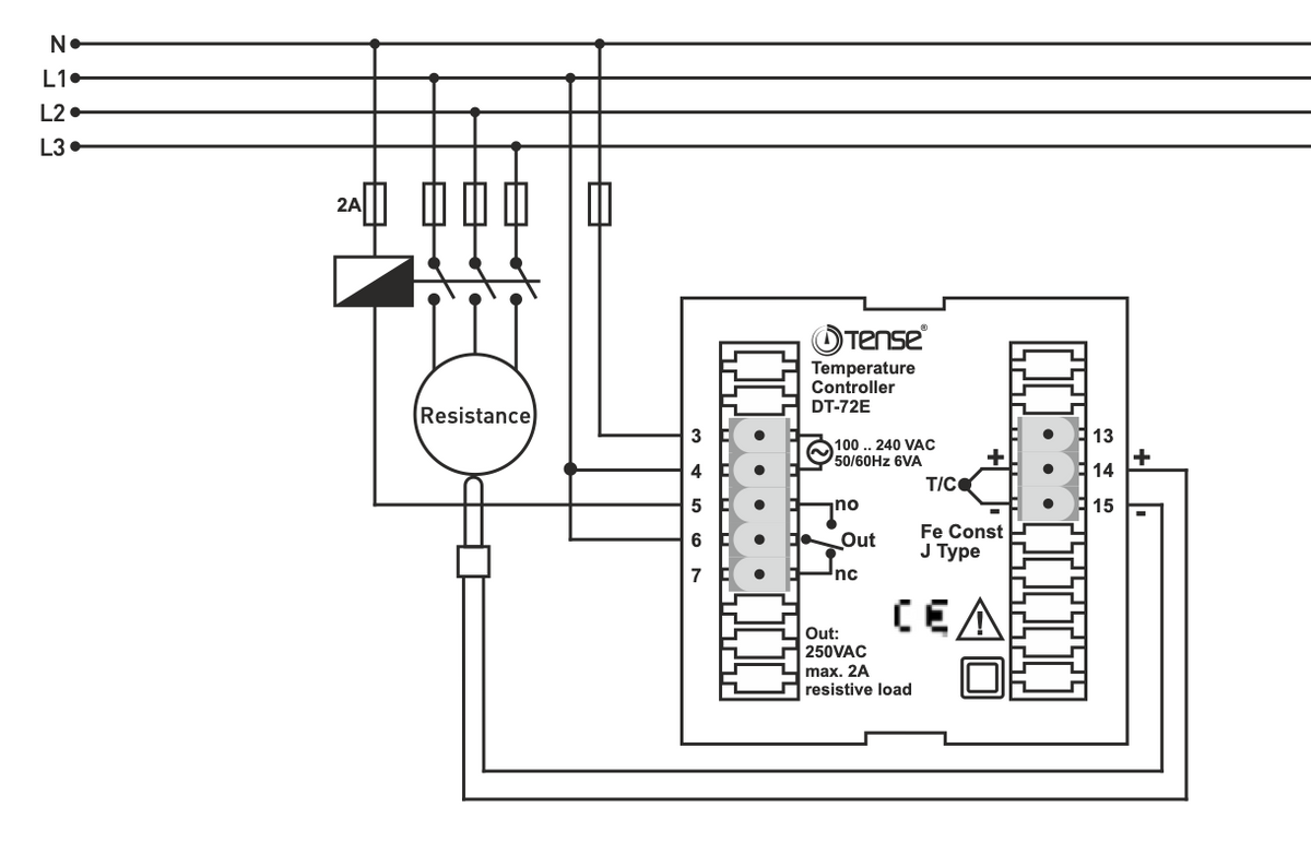
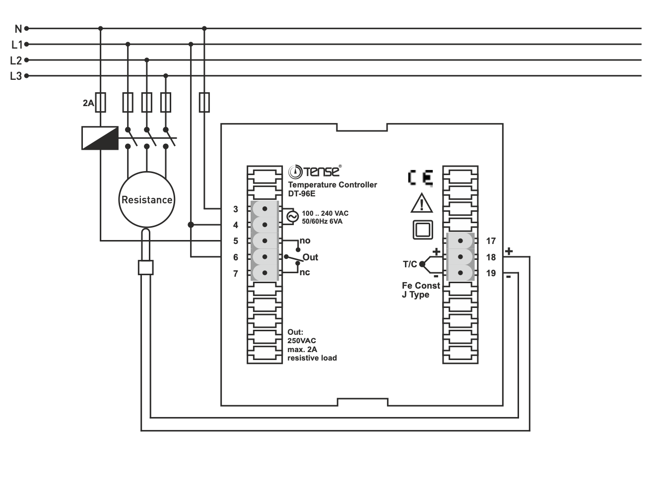
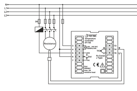
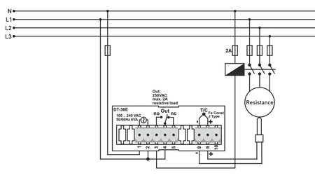
Termostat / 2-punkts temperaturregulator för panelmontering ON/OFF ON/OFF reglerläge, mätområde 0°C ... +600°C, upplösning / steg 1ºC (tillverkad i Turkiet, TENSE)

Styrning och övervakning av termiska processer i värme-, luftkonditionerings- och ventilationssystem, byggnadsautomation, industrianläggningar.

  • Typ av sensor: J-typ, Fe-Const, T/C

  • Reläutgångar OUT (NO+NC) 250VAC, 2A

  • Hysteres
  • EEPROM-minne för att spara inställningar

  • Lösenordsskydd

  • Hög noggrannhet: %0,3

Glöm inte att beställa våra temperaturgivare - termoelement typ J Fe-Const (metrisk 6/8) med temperaturmätningsskala: -100 °C - +600 °C. Kan levereras med 1 m, 1,5 m, 2 m, 2,5 m, 3 m, 4 m och 5 m lång kabel

Online betalning med kort - efter att beställningen är slutförd kommer du att omdirigeras till betalningsgatewayen, bekräftelsen på betalningen kommer att skickas till din e-post

Postförskott -  betalning enligt betalningsföreskriften betalar du till chauffören från transportföretaget

Banköverföring - du kommer att få en proformafaktura via e-post senast nästa arbetsdag, där du hittar kontonumret som du anger vid betalning. 

På faktura - denna betalningsvariant har partners som har ingått ett ramavtal med vårt företag.

​Om du vill använda de sista 2 metoderna, ring vår chef så ger han dig instruktioner om hur du får en faktura med eller utan moms​.

De elektriska apparater som vi tillhandahåller uppfyller höga kvalitetsstandarder, har 24 månaders garanti och uppfyller alla EU-krav.

Vid reklamation debiteras ingen avgift för retur av varor.