Skip to content
About us
Why choose us?
Reviews
Delivery, Payment, Warranty
Contact us
Facebook
Instagram
LinkedIn
WhatsApp
Search products
Search
+420 705 724 353
+420 739 000 827
Info@pelek.eu
Language
en
Svenska
English
Language
Svenska
English
Update language
Log in
Open the mini basket
Home
Catalog
Contact
Need help?
+420 705 724 353
+420 739 000 827
Info@pelek.eu
Language
en
Svenska
English
Language
Svenska
English
Update language
Dear customers, we accept orders on weekends and public holidays, but our managers will be able to call you back on the next business day. Thank you for your understanding!
Cabinet climate control and ventilation
Buy now
Climate control solutions
Buy now
Switch group
Buy now
Tense control relay
Buy now
Bafra lighting systems
Buy now
Favorite categories
All categories
Measuring equipment for cabinets
Cam Switches / Switches
Air conditioning and ventilation of cabinets
Light sources
Optical and acoustic signaling devices
Empty plastic cabinets
Junction boxes
Components for Compensation
Temperature controllers and sensors
Current transformers
Time relays
Level regulators
Previous image
Another slide
Bestseller
TENSE
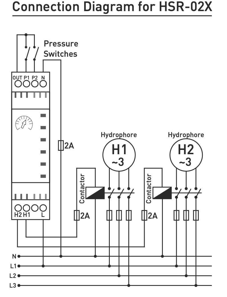
Hydrophore sequence relay with timer
TENSE
Stainless steel level probe in PVC housing for water level controller SSE-10 TENSE
TENSE
Fill level control unit, drain switch Well level gauge SSR-05
TENSE
Level monitor / Fill level monitor, borehole outlet level meter VSR-05 TENSE
TENSE
Level control, borehole level meter with timer for level switch SSR-05D TENSE
Sale
TENSE
Liquid level relay for steam boilers
Sale
TENSE
Liquid level relay for steam boilers (well or tank)
TENSE
Control relay for submersible pump, level indicator for well tank
TENSE
Pump protection against dry running, DIN control unit for submersible pump
TENSE
Level switch with float for clean water (filling, draining), NO+NC, PVC
Recommended category
Sale
MUCCO
Signalfyr SNT-S725 med summer, ø70 mm, mutteranslutning, 40-250 V AC/DC
MUCCO
Flashing ø70 NUT.CONN.SIGNALBEACON WITH BUZZ, 40-250V AC/DC, BLUE WITH 20CM EXT.TUBE
MUCCO
Flashing ø70 NUT.CONN.SIGNALBEACON WITH BUZZ, 40-250V AC/DC, BLUE WITH 10CM EXT.TUBE
MUCCO
MUCCO SNT-915-B-4 90 diameter 5 light modes 10 melodic SMD LEDs with buzzer 12-24V AC/DC blue ceiling lamp