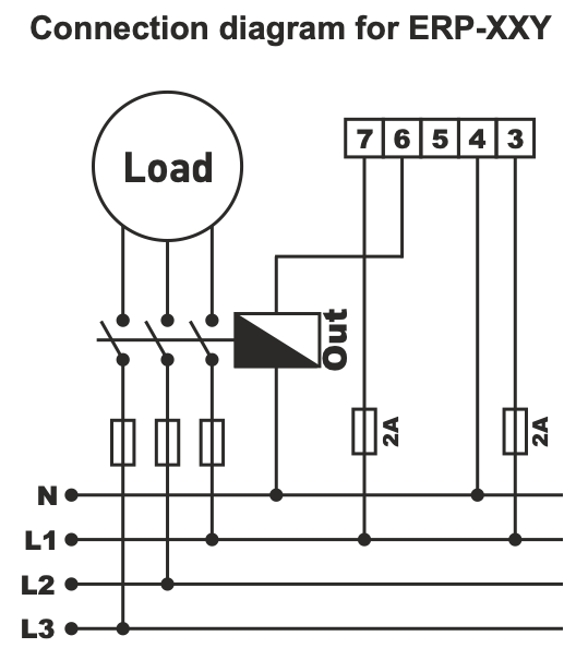
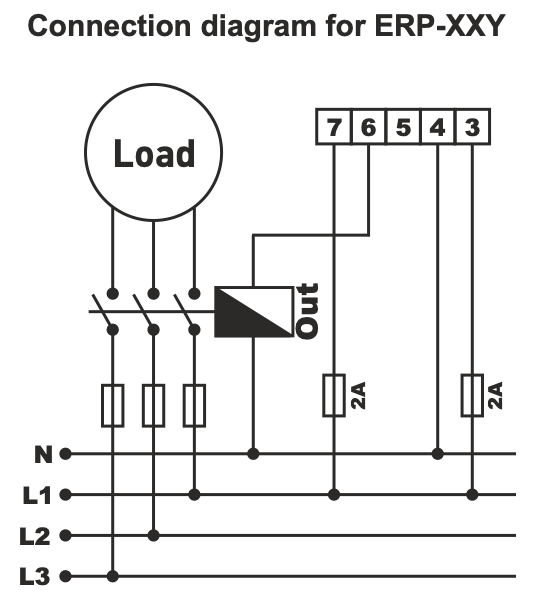
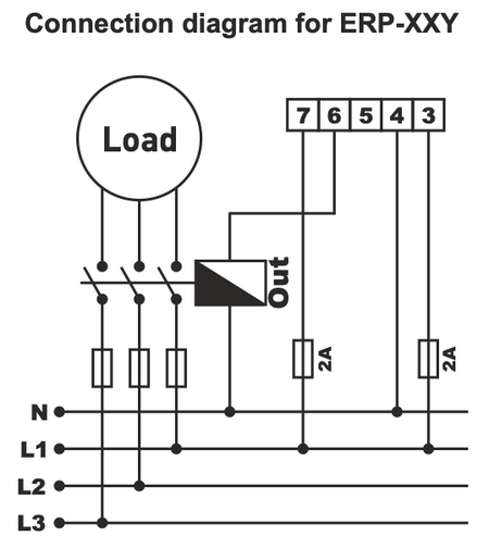
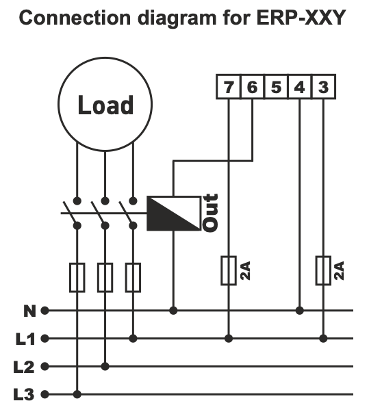
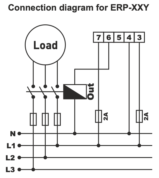
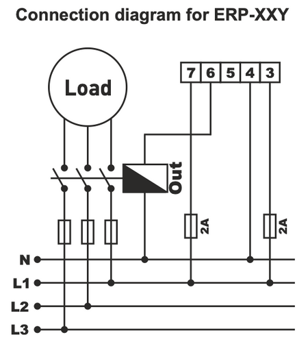
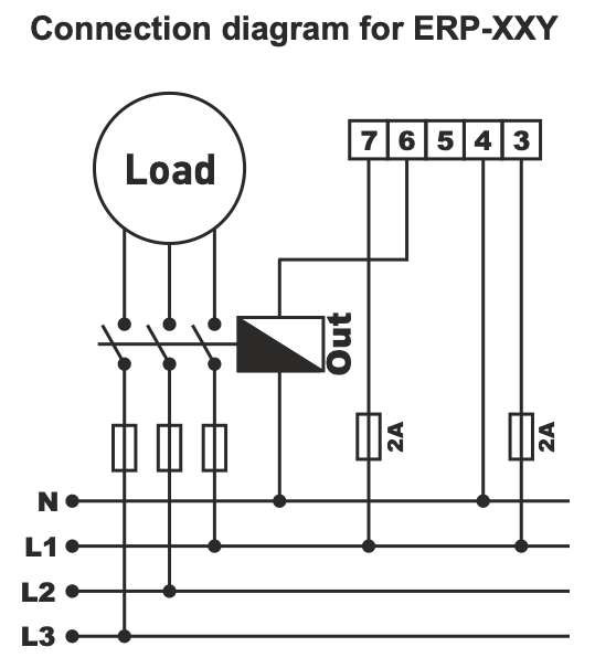
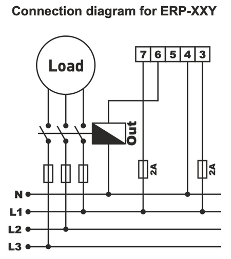
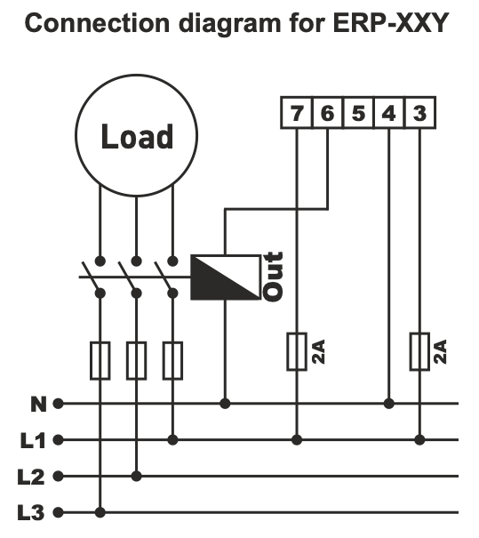
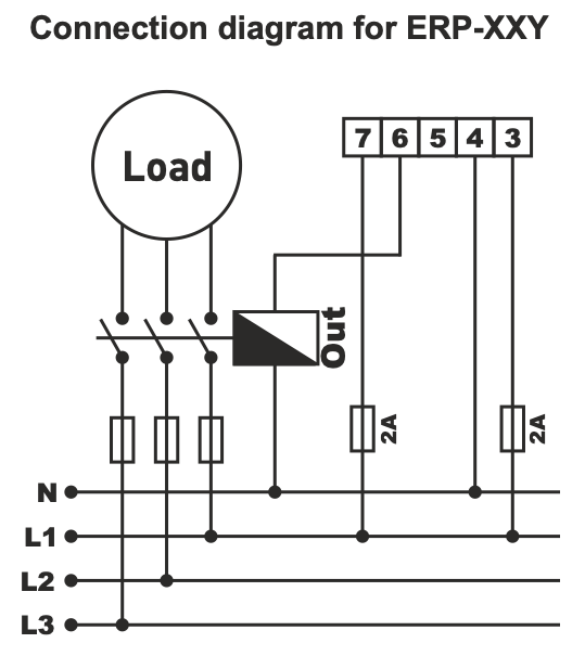
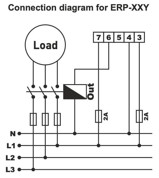
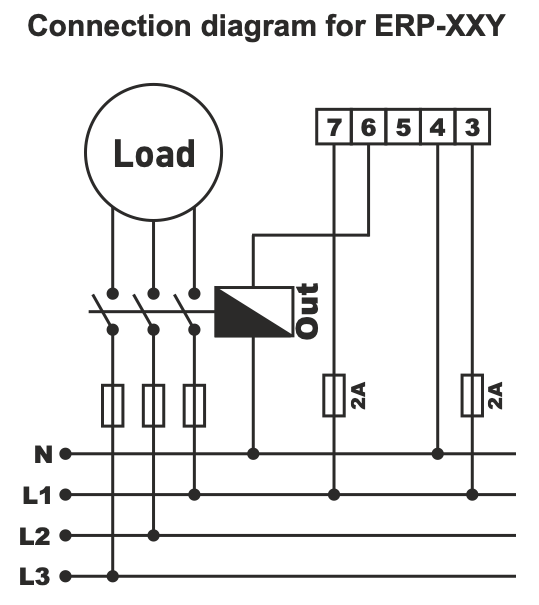
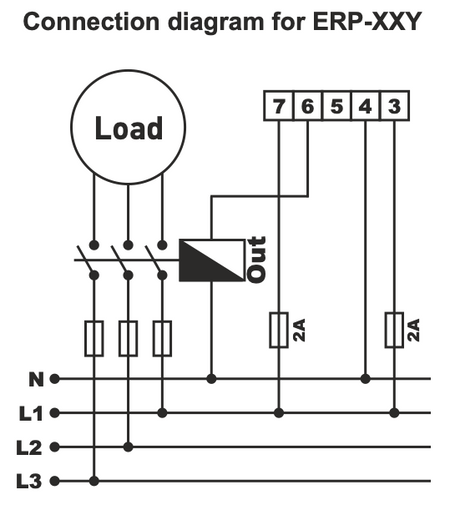
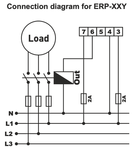
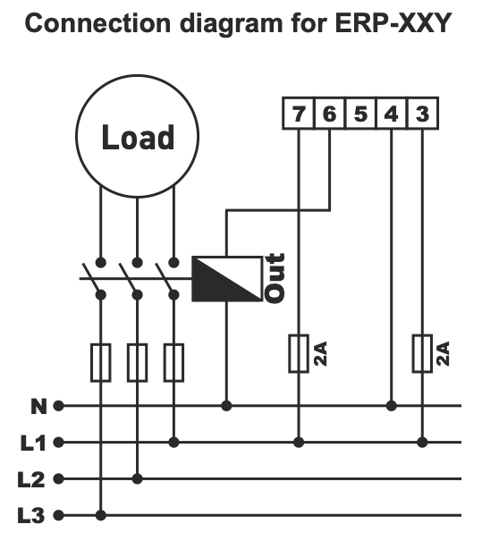
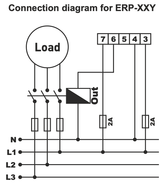
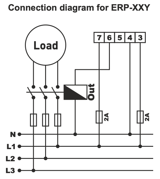
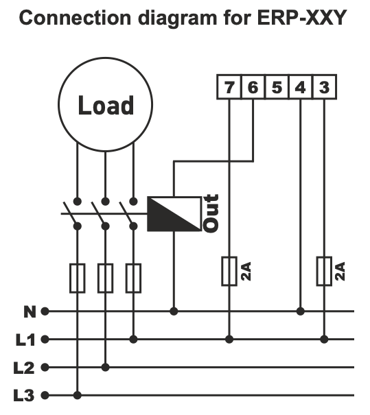
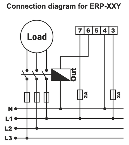
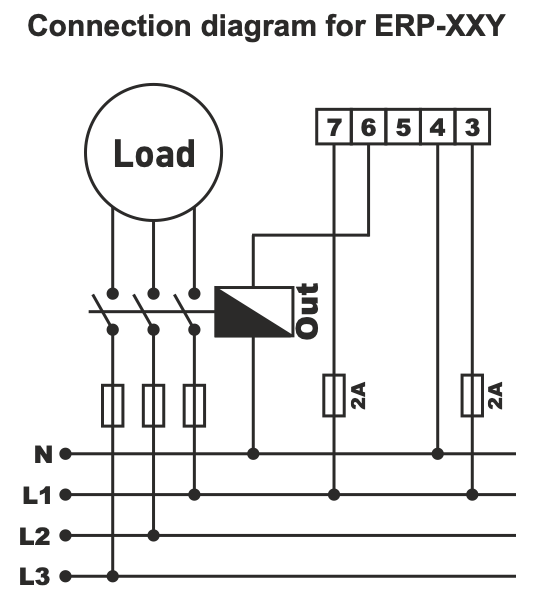
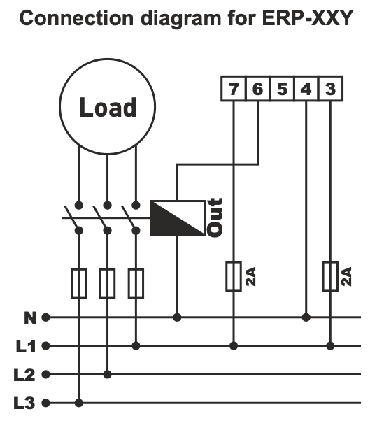
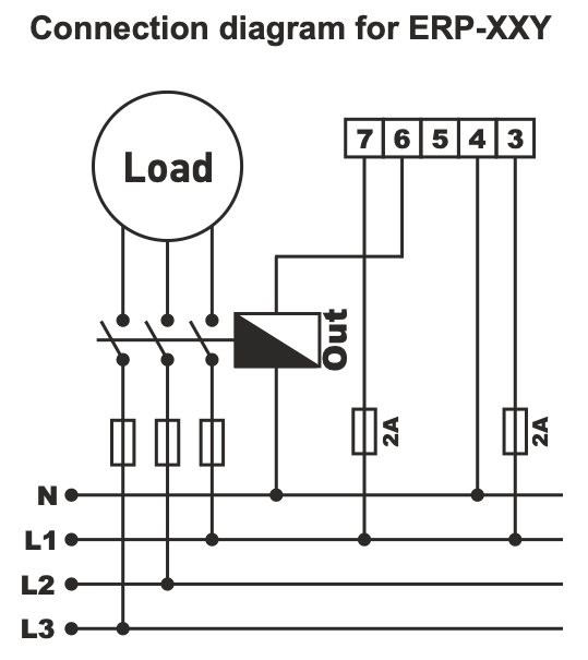
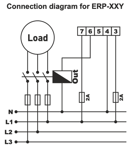
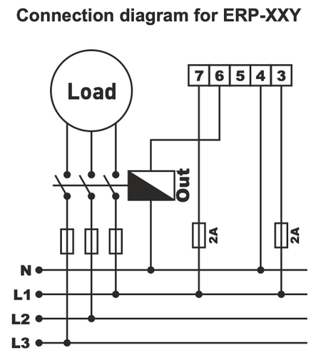
Time delay ON-DELAY built-in monofunctional relay 230 V/AC with 1 changeover contact.
The time delay/time relay is used to gradually switch on loads: electric boilers, ovens, heaters, etc., thereby preventing current spikes in the network and tripping of circuit breakers due to large overvoltages.
It can also be used to coordinate the connection time for multiple units in machines, devices, or other equipment.
Time intervals:
ERP-03Y - 0-3 s
ERP-12Y - 0-12 s
ERP-30Y - 0-30 s
ERP-60Y - 0-60 s
ERP-03DY - 0-3 min.
ERP-12DY - 0-12 min.
ERP-30DY - 0-30 min.
ERP-60DY - 0-60 min.
Online payment by card - after the order is completed you will be redirected to the payment gateway, the payment confirmation will be sent to your email
Cash on delivery - payment according to the payment regulations, you pay to the driver from the transport company
Bank transfer - you will receive a proforma invoice via email no later than the next business day, where you will find the account number that you enter when making payment.
On invoice - this payment option is available to partners who have entered into a framework agreement with our company.
If you want to use the last 2 methods, call our manager and he will give you instructions on how to get an invoice with or without VAT.
The electrical appliances we provide meet high quality standards, have a 24-month warranty and meet all EU requirements.
In the event of a complaint, no fee is charged for returning goods.