Monitoring/protective three-phase relay for overvoltage, undervoltage control
Three-phase monitoring/protection relay for overvoltage, undervoltage control with timer. Protective monitoring relay GKM-11 (TENSE)
Voltage control relays are designed to protect equipment with sensitive operating voltages from damage caused by mains voltage
- Overvoltage: 230V - 300V AC (adjustable)
- Undervoltage: 150V - 210V AC (adjustable)
Timer: 0.1 sec. - 20 sec (adjustable)
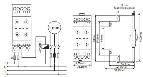
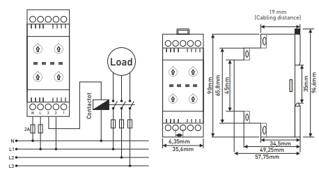
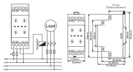
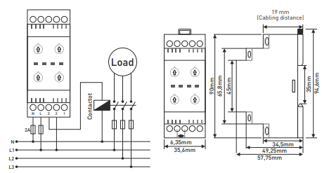
DIN rail mounting
-
Width 35.6mm
Online payment by card - after the order is completed you will be redirected to the payment gateway, the payment confirmation will be sent to your email
Cash on delivery - payment according to the payment regulations, you pay to the driver from the transport company
Bank transfer - you will receive a proforma invoice via email no later than the next business day, where you will find the account number that you enter when making payment.
On invoice - this payment option is available to partners who have entered into a framework agreement with our company.
If you want to use the last 2 methods, call our manager and he will give you instructions on how to get an invoice with or without VAT.
The electrical appliances we provide meet high quality standards, have a 24-month warranty and meet all EU requirements.
In the event of a complaint, no fee is charged for returning goods.